配伍性试验块
执行标准:
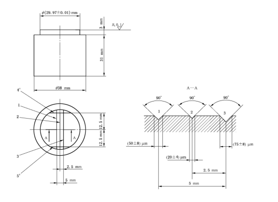
YY/T 0493-2022--图 A.12 细节再现和与石膏的配伍性试验块--配伍性试验块
模具用途;
验证印模材料在接触石膏时是否会发生不良反应或表面缺陷,从而影响模型精度。
技术参数:
材质:不锈钢
计时器:0-999/s(自行设置)精度±1/s
选配:超声清洗,机恒温水浴,烘箱,显微镜
配置清单
模具一套,合格证一份,铭牌一份。

济南乾元仪器有限公司
地址:山东省济南市历城区董家街道稼轩路8186-76号
联系人:王工
电话:17505413086
手机:17505413086
时间:2026-04-21 10:55:56 来源:本站 点击:0次
配伍性试验块
执行标准:
YY/T 0493-2022--图 A.12 细节再现和与石膏的配伍性试验块--配伍性试验块
模具用途;
验证印模材料在接触石膏时是否会发生不良反应或表面缺陷,从而影响模型精度。
技术参数:
材质:不锈钢
计时器:0-999/s(自行设置)精度±1/s
选配:超声清洗,机恒温水浴,烘箱,显微镜
配置清单
模具一套,合格证一份,铭牌一份。
